Home > Products > Compensation System > Compensation system > HT-HE50

HT-HE50

Parameters
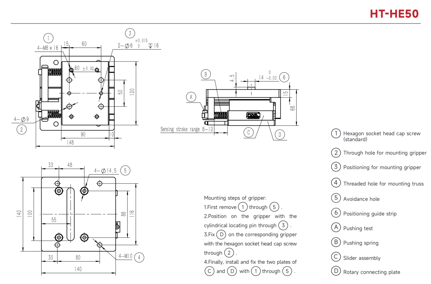
Engineering Graphics
Download
Accessories
Description
Shopping Support
Parameters and Specifications
Product attributesHT-ZG12HT-ZG25HT-ZG32HT-ZG40HT-HE40HT-HE50Unit
Supporting productsTG12-FZ34/FR28TG25-FZ42/FR36TG32-FZ55/FR45TG40-FZ70/FR57TE40-FR36-96TE50-FR45-120
Guide patternLinear bearingLinear bearingLinear bearingLinear bearingLinear bearingLinear bearing
Weight0.651.852.34.32.94.6kg
Sensing stroke range6~97~117~118~127~108~12mm
Spring thrust range3~85~148~2010~256~168~20kgf
Spring typeRectangular/ circularsectionRectangular/ circularsectionRectangular/ circularsectionRectangular/ circularsectionRectangular/ circularsectionRectangular/ circularsection


Engineering Graphics

HT-HE50

Download
Selection Manual_HT.pdf
Download
HT-HE50.STEP
Download
Inductive proximity sensor
IPSD-2NS-0823-L3Inductive,NPN,3-core3m
IPSD-2PS-0823-L3Inductive,PNP,3-core3m
*Two sensors are required for each rotation unit. For the detailed monitoring of two positions,see the sensor appendix.


Products Description
Shopping Support

Payment Methods:


50% shall be paid by T/T in advance.50%balance paid before machine loading at the factory.


After-sales service


Your benefits


In the condition of proper usage and non man-made damage, the contractual warranty should be 24 months since you receive the equipments.  If it is approved to be quality issue by both parties, then the seller shall provide new spare parts or new one as replacement and fast courier shall be taken by FOUK.


Return ship service please contact your sales represent.


Our Service


Online Guided Repair or Repair by Sending Back to FOUK Production Base

Replacement Service

Detailed Maintenance Recommendations

Real-time Repair Feedback

24-Hour General Manager Hotline


Your correct contact person for after sales service

Email: amytongfouk@163.com/3300785183@qq.com

RELATED PRODUCTS
Submit Questions Online
Hello, welcome to submit any questions and suggestions. We will reply to you as soon as possible. Thank you for your support and help.
Contact Us Now !
SN
SN